Бойлер Raymer DHWP 200 л непрямого нагріву гарячого водопостачання (ГВП) розроблений спеціально для теплових насосів повітря-вода
СКАЧАТЬ РАЗМЕРЫ БАКА RAYMER DHWP 200 л

Бойлер непрямого нагріву Raymer DHWP 200 розроблений для забезпечення стабільного постачання гарячої води, забезпечуючи при цьому міцність та довговічність. Давайте розглянемо його переваги ближче.
Корпуси баків виготовлені з нержавіючої сталі марки SUS 304 — 1,2 мм, а вбудований змійовик із нержавіючої сталі марки SUS 316
Характеристики бойлера непрямого нагріву RAYMER DHWP 200л:
- Змійовик, що ідеально підходить для систем теплового насоса повітря-вода: 20 м.п. довжина або 3 м² площа.
- Товщина стінки: 1,2 мм.
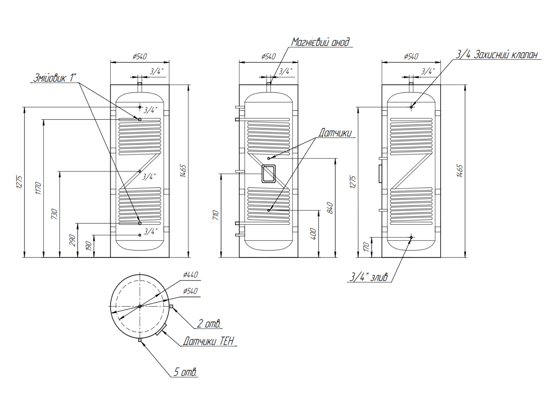
- Висота: 1580 мм.
- Діаметр з кріпленнями та виступами — 580 мм.
- Зовнішній діаметр бака: 540 мм.
- Внутрішній діаметр бака: 440 мм.
Переваги бака непрямого нагріву Raymer DHWP 200
-
Міцність та довговічність: Високоякісні конструкційні матеріали забезпечують довговічність бака, продовжуючи термін його служби та знижуючи вимоги до обслуговування.
-
Ефективний теплообмінний змійовик: 20-метровий змійовик усередині бойлер сприяє ефективній теплопередачі, забезпечуючи швидке нагрівання та постійну подачу гарячої води.
-
Універсальні можливості встановлення: Конструкція у вигляді стійки дозволяє встановлювати баки вертикально., забезпечуючи гнучкість у розміщенні та адаптацію до різних конфігурацій водопроводу.
-
Великий обсяг: Бак ємністю 200 літрів забезпечує достатній запас гарячої води, задовольняючи потреби домогосподарств та невеликих комерційних підприємств.
-
Ізоляція для збереження тепла: Бойлер оснащений ефективною ізоляцією для мінімізації тепловтрат і підтримки температури гарячої води, що зберігається.
-
Корозійно-стійкий матеріал: Бак виготовлений з нержавіючої, харчової сталі для забезпечення міцності та довговічності.
Важлива інформація! У непрямому нагріванні Raymer DHWP встановлюється інтегрований електричний нагрівальний елемент (Після), який призначений виключно для тестового запуску системи.
📌ГАРАНТИЧЕЙНА НЕ 1 місяць з моменту покупки.
Що — Тепла котушка доходу, що забезпечує ефективну роботу резервуара в системі з тепловим насосом, котел або інші джерела тепла.
⚠ Увага! Використання вбудованого нагрівального елемента як основного джерела опалення не забезпечується виробником і може вплинути на термін служби.
Слід зазначити, що баки непрямого нагріву є надійним і ефективним рішенням для задоволення ваших потреб у гарячій воді. Бойлер непрямого нагріву об'ємом 200 літрів з 20-метровим змійовиком та площею поверхні 3 м.кв має оптимальну ємність і ключові характеристики, що забезпечують постійне постачання гарячою водою. Правильне встановлення, регулярне обслуговування та догляд необхідні для максимального збільшення терміну служби та продуктивності цих баків.
УВАГА! Необхідна щорічна заміна магнієвого анода баку, інакше не діє гарантія на баки ГВП Raymer.
Слід зазначити, що магнієвий анод є найважливішим компонентом для захисту вашого бака від корозії. Жертвуючи собою, анод запобігає корозії бака, продовжуючи термін його служби та позбавляючи вас від дорогого ремонту. Простота встановлення та тривалий захист, яку забезпечують магнієві аноди, роблять їх економічно ефективним рішенням для підтримки ефективності роботи вашого бака..
ГЕОМЕТРІЯ БАКА:

Характеристики
| Змієвик | 20 м.п. або 3 м². |
|---|---|
| Товщина стінки |
1,2 мм |
| Висота |
1580 мм |
| Зовнішній діаметр бака |
540 мм |
| Внутрішній діаметр бака | 440 мм |
| Марка нержавіючої сталі | 304 |









